Automatische Prüfeinrichtung

Automatische Prüfeinrichtung (APrE55vk)

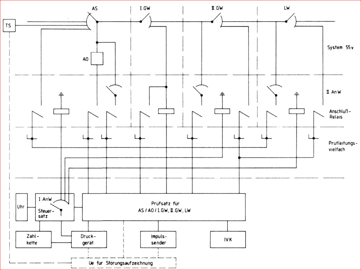
Ab den 1960er Jahren wurde eine APrE in den Ortsvermittlungsstellen standardmäßig eingebaut. Die notwendigen Komponenten benötigen nur eine Gestellgröße. Über zwei Wahlstufen (Anschaltewähler) können 50 Wählergestelle und alle 24 darin befindlichen EMD-Wähler (AS/I.GW, II.GW und LW) erreicht und geprüft werden. Neben galvanischen Messungen werden auch Drehzahl, Fremdgeräusche, Impulskennzeichen etc. geprüft. Diese prüft in den Nachtstunden automatisch alle vorhandenen Wahlstufen auf Funktion und Qualität. Festgestellte Fehler werden direkt auf einem Papierstreifen gedruckt.

Der Ausdruch setzt sich aus Prüfsatz, Gestell, Wähler und Störungskennziffer zusammen.

Ausdruck

Aufgefundene Fehler wurden in ein Störungsbuch eingetragen und am nächsten Tag von den Unterhaltungskräften beseitigt.
Vorhandene Schaltungsunterlagen, Nachverkabelung zu den Gestellen und die notwendige Leidenschaft haben es uns ermöglicht, den funktionsfähigen Zustand wieder herzustellen.

Diese nur noch seltene Einrichtung ist in vollem Funktionsumfang bei uns zu besichtigen.

Blockschaltbild APrE55vk

Die Automatische Prüfeinrichtung für Wähler, APrE55vk

Prüfausdruck mit SIEMENS-Hellschreiber

Fotos & Video: Gerhard Strelow


[Home] [Akustik-Museum] [Kontakt/Öffnung] [Verein] [NEWS] [Fotos] [Videos] [Sammlung] [Links] [Mitgliederbereich] [Impressum] [Datenschutz]