Die Schaltung des W48 /TiWa 49

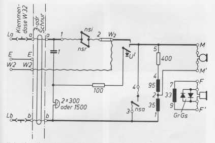
Die Schaltung und der Montageplan des W 48, W 49 (TiWa 49). Im Vergleich zum W38 ergeben sich nur kleine Änderungen in den Widerstands und Spulenwerten. Neu ist der Gehörschutz, der aus 2 antiparallel geschalteten Selengleichrichtern besteht. Die sind für die Sprechspannung undurchlässig, alle darüberliegenden Spannungen werden kurzgeschlossen. So könne Spannungsspitzen, die beispielsweise bei Blitzeinschlägen entstehen, nicht das Gehör des Teilnehmers schädigen.


[Home] [Akustik-Museum] [Kontakt/Öffnung] [Verein] [NEWS] [Fotos] [Videos] [Sammlung] [Links] [Mitgliederbereich] [Impressum] [Datenschutz]